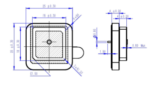
Model: BY-DAE1176&1575R2540&1840A
(I) Produktübersicht
Nominal frequency :L1: 1575.42±1.023 (MHz)
L5: 1176.45±12 (MHz)
Center frequency (with adhesive tape on 27 square ground Plane):
L1: 1577±2.5 (MHz)
L5: 1176±2.5(MHz)
-10dB Bandwidth min:L1: 10(MHz)
L5: 3 (MHz)
VSWR at CF max:1.8
Gain at Zenith:L1: 1.8dBi Typ
L5: 0.5dBi Typ
Polarization Model:RHCP
Impedance:50 (Ω)
Frequency Temperature Coefficient max:20(ppm/deg.℃)













